新闻资讯
紧密跟随国家产业指导及技术发展
霍尔比特非球透镜----聚焦高速光模块产品应用的一颗闪耀的新星发布日期:2025-09-29

在高速光模块领域,光学组件的性能优劣直接影响着整个系统的数据传输速率与稳定性。非球透镜作为关键光学元件,正凭借其独特的光学设计及多方面优势,在高速光模块产品中崭露头角,尤其是国产非球透镜,更以国产替代的显著特性与成本优势,成为市场关注焦点。


霍尔比特独特的光学设计优势体现在以下几个方面

卓越的光线聚焦能力

传统球面透镜存在不可避免的球差问题,即不同位置的光线聚焦于不同点,这会严重影响成像质量与信号传输精度。非球透镜的表面形状并非标准球面,其设计能够精确控制光线的折射路径,使光线在更广泛的角度范围内均匀聚焦,显著提升了聚焦效率与光斑质量。在高速光模块中,这意味着光信号能够更高效地耦合进光纤,减少信号损失,提高光链路的传输功率,进而保障高速率数据的稳定传输。例如,在 100G 及以上速率的光模块中,非球透镜能够将光信号的耦合效率提升至 90% 以上,相比传统球面透镜有大幅提升。

更宽的视场角与低像差

非球透镜在扩大视场角的同时,能够有效校正像差,包括慧差、像散等。在复杂的光通信系统中,需要光学元件具备较大的视场角,以适应不同方向的光线入射。非球透镜通过精心设计的非对称曲面,实现了在较宽视场范围内的高质量成像与信号传输。这一特性使得高速光模块在接收和发射光信号时,能够更灵活地应对不同角度的光线,增强了系统的适应性与可靠性,降低了因光线角度偏差导致的信号畸变风险。


霍尔比特非球透镜在实现国产替代方面也有很多优势

提供定制化的灵活服务

霍尔比特在面对高速光模块市场的多样化需求时,展现出了强大的定制化能力。相较于部分国外供应商相对固定的产品规格,霍尔比特能够与光模块制造商紧密合作,根据不同的光模块设计方案、封装要求以及性能指标,量身定制非球透镜。从镜片的尺寸、形状,到光学参数的精准调校,都能满足客户的个性化需求。这种定制化服务不仅加快了产品的研发进程,还能确保非球透镜与光模块的其他组件实现最佳匹配,提升整体产品性能。

快速响应与高效供应链

在高速发展的光通信行业,产品更新换代速度极快,对供应链的响应速度提出了极高要求。霍尔比特凭借地理优势与完善的产业链布局,能够实现快速响应。从订单下达、生产制造到产品交付,周期明显短于国外同行。同时,国内高效的供应链体系确保了原材料供应的稳定性与及时性,有效降低了因供应链中断导致的生产延误风险。这使得光模块制造商能够更灵活地安排生产计划,快速推出新产品,抢占市场先机。


霍尔比特非球透镜有显著的成本优势

随着国内光通信产业的蓬勃发展,霍尔比特非球透镜的生产规模不断扩大。规模化生产带来了显著的成本优势,一方面,生产设备的购置成本与单位产品分摊的固定成本大幅降低;另一方面,通过优化生产工艺与流程,生产效率得到极大提升,单位时间内的产量增加,进一步降低了单位产品的可变成本。这种规模效应使得非球透镜在价格上具备很强的竞争力,能够为光模块制造商提供高性价比的产品,有助于降低光模块的整体生产成本,提高产品在市场中的价格竞争力。

霍尔比特非球透镜直接供应给国内光模块厂商,减少了跨国贸易中的诸多中间环节,如进口关税、国际物流费用、多层经销商的利润加成等。这些中间环节费用的节省,直接转化为产品成本的降低。同时,国内企业之间的沟通与协作成本也相对较低,能够更高效地协调生产与交付过程,进一步优化成本结构。这种成本优势使得霍尔比特非球透镜在满足光模块性能要求的前提下,为客户提供了更具经济优势的选择,有力推动了高速光模块产品的成本优化与市场普及。

非球透镜制造工艺流程包含:模具设计-模具加工-模仁镀膜-模压成型-芯取-光学镀膜-成品出货,其中模具加工、模仁镀膜是整个工艺流程中的难点,除了需要高精度加工设备,还需要有丰富的生产经验才能完成。霍尔比特非球透镜凭借出色的光学设计,更以国产替代的产品优势与成本优势,为光模块制造商提供了优质、经济且灵活的解决方案,在推动高速光模块产业发展的进程中发挥着愈发重要的作用,有望在未来光通信市场中占据更大份额,引领行业新变革,欢迎广大光器件和光模块厂商咨询和联系。

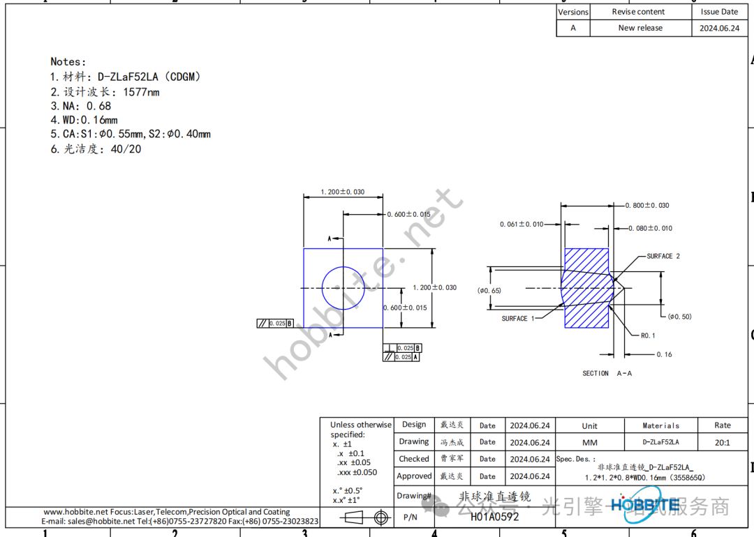
数据中心:400G&800G模块硅光方案用之非球规格(单透镜)
图片
图片
图片

数据中心:400G&800G模块用之非球规格(双透镜方案)
图片
图片
传输网:10G PON ONU方案规格:
图片
有源光器件之TOSA&ROSA&TO:
图片
图片
图片
更多非球规格可以联络Hobbite公司各区域销售负责人 或邮件咨询 sales@hobbite.net


地址:深圳市宝安区西乡街道桃源社区畔山美地嘉园10栋402
邮箱:sales@hobbite.net

Copyright © 2025 霍尔比特(Hobbite.cn)
粤ICP备15110709号-1